基本的存储元阵列
SRAM用一个锁存器(触发器)作为存 储位元。外部输入数据为1,锁存器 记忆1;外部输入 数据为0,锁存器 记忆0
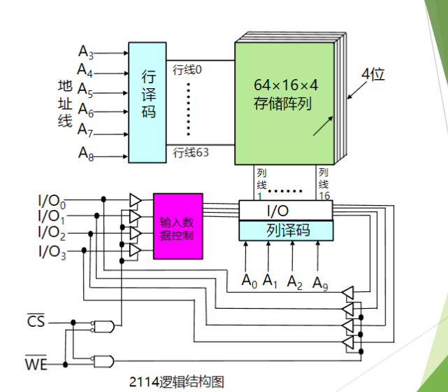
存储体:各存储位元被组织成一个存储矩阵; 大容量存储器中,通常用双译码方式来选择存储单元。存储阵 列是行⨯列⨯位的三维结构。行和列的交叉位置为一个存储单 元,每个存储单元为机器字长位。用X选择线(行线)和Y选择 线(列线)的交叉来选择所需要的存储单元。
地址译码器:将CPU发出的用二进制代码表示的地址信息转换成 输出端的高电位,以便选择所要访问的存储单元。
SRAM用一个锁存器(触发器)作为存 储位元。外部输入数据为1,锁存器 记忆1;外部输入 数据为0,锁存器 记忆0
存储体:各存储位元被组织成一个存储矩阵; 大容量存储器中,通常用双译码方式来选择存储单元。存储阵 列是行⨯列⨯位的三维结构。行和列的交叉位置为一个存储单 元,每个存储单元为机器字长位。用X选择线(行线)和Y选择 线(列线)的交叉来选择所需要的存储单元。
地址译码器:将CPU发出的用二进制代码表示的地址信息转换成 输出端的高电位,以便选择所要访问的存储单元。